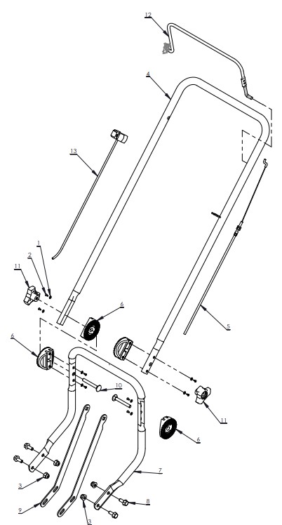
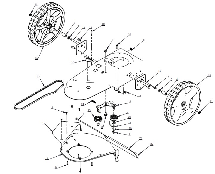
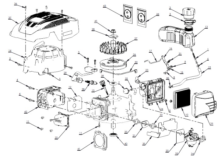
47325 EARTHQUAKE STRING MOWER HURRICANE HEAD 160 CC VIPER

SERIES #051149, MODEL YEAR 2025

Parts Catalog

View Documents

1/1/2025
SERIES #051149, MODEL YEAR 2025
1/1/2025
SERIES #051149, MODEL YEAR 2025
1/1/2025
SERIES #051149, MODEL YEAR 2025
1/1/2025
SERIES #051149, MODEL YEAR 2025

Enter the quantity for each part you wish to purchase and press the "ADD TO CART" button.

Key No. Part No. Image Description Cost Availability Order Qty.